Подшипник K45X53X25H (Timken)

Подшипники роликовые радиальные сферические
Подшипник K45X53X25H (Timken)

Технические характеристики

Обозначение : K45X53X25H

Производитель : Timken

Диаметр внутренний, мм : 45

Диаметр наружный, мм : 53

Технические данные из каталога производителя :

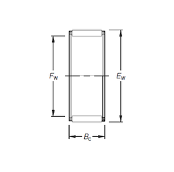
Внутренний диаметр (Fw) - 45 мм.

Наружный диаметр (Ew) - 53 мм.

Ширина внутренней обоймы (Bc) - 24,8 мм.

Масса - 0,072 Кг

Грузоподъемность динамическая (C) - 45,9 кН

Грузоподъемность статическая (C0) - 81,5 кН

Частота вращения предельная при пластичной смазке - 6200 об/мин

Частота вращения предельная при жидкой смазке - 9600 об/мин

Количество дорожек качения - 1

Уплотнение - Нет

Цены указаны ознакомительные, для уточнения цены и наличия просим связаться с нами по телефону, или отправить заявку на почту - sales@specprompodshipnik.ru или по тел.: +7(499) 369-70-54

Возврат к списку