Подшипник K45X52X18 (FBJ)

Подшипники роликовые радиальные сферические
Подшипник K45X52X18 (FBJ)

Технические характеристики

Обозначение : K45X52X18

Размеры, мм : 45x52x18

Производитель : FBJ

Диаметр внутренний, мм : 45

Диаметр наружный, мм : 52

Высота, мм : 18

Технические данные из каталога производителя :

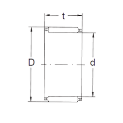
Внутренний диаметр (d) - 45 мм.

Наружный диаметр (D) - 52 мм.

Ширина рабочая (T) - 18 мм.

Масса - 0,051 Кг

Грузоподъемность динамическая (C) - 29,7 кН

Грузоподъемность статическая (C0) - 51 кН

Частота вращения предельная при пластичной смазке - 6000 об/мин

Частота вращения предельная при жидкой смазке - 9000 об/мин

Количество дорожек качения - 1

Уплотнение - Нет

Цены указаны ознакомительные, для уточнения цены и наличия просим связаться с нами по телефону, или отправить заявку на почту - sales@specprompodshipnik.ru или по тел.: +7(499) 369-70-54

Возврат к списку