Подшипник K42X47X27H (Timken)

Подшипники роликовые радиальные сферические
Подшипник K42X47X27H (Timken)

Технические характеристики

Обозначение : K42X47X27H

Производитель : Timken

Диаметр внутренний, мм : 42

Диаметр наружный, мм : 47

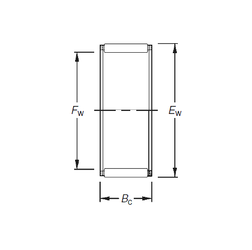
Технические данные из каталога производителя :

Внутренний диаметр (Fw) - 42 мм.

Наружный диаметр (Ew) - 47 мм.

Ширина внутренней обоймы (Bc) - 27 мм.

Масса - 0,041 Кг

Грузоподъемность динамическая (C) - 33,8 кН

Грузоподъемность статическая (C0) - 74,7 кН

Частота вращения предельная при пластичной смазке - 6500 об/мин

Частота вращения предельная при жидкой смазке - 10000 об/мин

Количество дорожек качения - 1

Уплотнение - Нет

Цены указаны ознакомительные, для уточнения цены и наличия просим связаться с нами по телефону, или отправить заявку на почту - sales@specprompodshipnik.ru или по тел.: +7(499) 369-70-54

Возврат к списку