Подшипник K40X48X20 (FBJ)

Подшипники роликовые радиальные сферические
Подшипник K40X48X20 (FBJ)

Технические характеристики

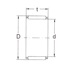
Обозначение : K40X48X20

Размеры, мм : 40x48x20

Производитель : FBJ

Диаметр внутренний, мм : 40

Диаметр наружный, мм : 48

Высота, мм : 20

Технические данные из каталога производителя :

Внутренний диаметр (d) - 40 мм.

Наружный диаметр (D) - 48 мм.

Ширина рабочая (T) - 20 мм.

Масса - 0,052 Кг

Грузоподъемность динамическая (C) - 33 кН

Грузоподъемность статическая (C0) - 51 кН

Частота вращения предельная при пластичной смазке - 6500 об/мин

Частота вращения предельная при жидкой смазке - 10000 об/мин

Количество дорожек качения - 1

Уплотнение - Нет

Цены указаны ознакомительные, для уточнения цены и наличия просим связаться с нами по телефону, или отправить заявку на почту - sales@specprompodshipnik.ru или по тел.: +7(499) 369-70-54

Возврат к списку