Подшипник K38X46X32 (FBJ)

Подшипники роликовые радиальные сферические
Подшипник K38X46X32 (FBJ)

Технические характеристики

Обозначение : K38X46X32

Размеры, мм : 38x46x32

Производитель : FBJ

Диаметр внутренний, мм : 38

Диаметр наружный, мм : 46

Высота, мм : 32

Технические данные из каталога производителя :

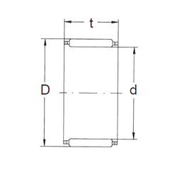
Внутренний диаметр (d) - 38 мм.

Наружный диаметр (D) - 46 мм.

Ширина рабочая (T) - 32 мм.

Масса - 0,073 Кг

Грузоподъемность динамическая (C) - 54 кН

Грузоподъемность статическая (C0) - 95,5 кН

Частота вращения предельная при пластичной смазке - 7500 об/мин

Частота вращения предельная при жидкой смазке - 11000 об/мин

Количество дорожек качения - 1

Уплотнение - Нет

Цены указаны ознакомительные, для уточнения цены и наличия просим связаться с нами по телефону, или отправить заявку на почту - sales@specprompodshipnik.ru или по тел.: +7(499) 369-70-54

Возврат к списку