Подшипник K38X43X27 (Timken)

Подшипники роликовые радиальные сферические
Подшипник K38X43X27 (Timken)

Технические характеристики

Обозначение : K38X43X27

Производитель : Timken

Диаметр внутренний, мм : 38

Диаметр наружный, мм : 43

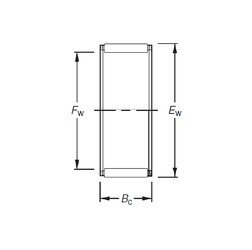
Технические данные из каталога производителя :

Внутренний диаметр (Fw) - 38 мм.

Наружный диаметр (Ew) - 43 мм.

Ширина внутренней обоймы (Bc) - 27 мм.

Масса - 0,041 Кг

Грузоподъемность динамическая (C) - 31,9 кН

Грузоподъемность статическая (C0) - 67 кН

Частота вращения предельная при пластичной смазке - 7300 об/мин

Частота вращения предельная при жидкой смазке - 11000 об/мин

Количество дорожек качения - 1

Уплотнение - Нет

Цены указаны ознакомительные, для уточнения цены и наличия просим связаться с нами по телефону, или отправить заявку на почту - sales@specprompodshipnik.ru или по тел.: +7(499) 369-70-54

Возврат к списку