Подшипник K37X44X19H (Timken)

Подшипники роликовые радиальные сферические
Подшипник K37X44X19H (Timken)

Технические характеристики

Обозначение : K37X44X19H

Производитель : Timken

Диаметр внутренний, мм : 37

Диаметр наружный, мм : 44

Технические данные из каталога производителя :

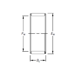
Внутренний диаметр (Fw) - 37 мм.

Наружный диаметр (Ew) - 44 мм.

Ширина внутренней обоймы (Bc) - 19 мм.

Масса - 0,039 Кг

Грузоподъемность динамическая (C) - 29,7 кН

Грузоподъемность статическая (C0) - 48 кН

Частота вращения предельная при пластичной смазке - 7600 об/мин

Частота вращения предельная при жидкой смазке - 12000 об/мин

Количество дорожек качения - 1

Уплотнение - Нет

Цены указаны ознакомительные, для уточнения цены и наличия просим связаться с нами по телефону, или отправить заявку на почту - sales@specprompodshipnik.ru или по тел.: +7(499) 369-70-54

Возврат к списку