Подшипник K37X42X27 (FBJ)

Подшипники роликовые радиальные сферические
Подшипник K37X42X27 (FBJ)

Технические характеристики

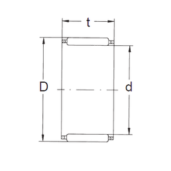
Обозначение : K37X42X27

Размеры, мм : 37x42x27

Производитель : FBJ

Диаметр внутренний, мм : 37

Диаметр наружный, мм : 42

Высота, мм : 27

Технические данные из каталога производителя :

Внутренний диаметр (d) - 37 мм.

Наружный диаметр (D) - 42 мм.

Ширина рабочая (T) - 27 мм.

Масса - 0,041 Кг

Грузоподъемность динамическая (C) - 32,5 кН

Грузоподъемность статическая (C0) - 67,5 кН

Частота вращения предельная при пластичной смазке - 7500 об/мин

Частота вращения предельная при жидкой смазке - 11000 об/мин

Количество дорожек качения - 1

Уплотнение - Нет

Цены указаны ознакомительные, для уточнения цены и наличия просим связаться с нами по телефону, или отправить заявку на почту - sales@specprompodshipnik.ru или по тел.: +7(499) 369-70-54

Возврат к списку