Подшипник K32X38X20 (FBJ)

Подшипники роликовые радиальные сферические
Подшипник K32X38X20 (FBJ)

Технические характеристики

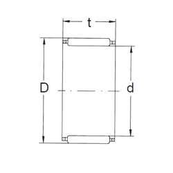
Обозначение : K32X38X20

Размеры, мм : 32x38x20

Производитель : FBJ

Диаметр внутренний, мм : 32

Диаметр наружный, мм : 38

Высота, мм : 20

Технические данные из каталога производителя :

Внутренний диаметр (d) - 32 мм.

Наружный диаметр (D) - 38 мм.

Ширина рабочая (T) - 20 мм.

Масса - 0,031 Кг

Грузоподъемность динамическая (C) - 25,1 кН

Грузоподъемность статическая (C0) - 41 кН

Частота вращения предельная при пластичной смазке - 8500 об/мин

Частота вращения предельная при жидкой смазке - 13000 об/мин

Количество дорожек качения - 1

Уплотнение - Нет

Цены указаны ознакомительные, для уточнения цены и наличия просим связаться с нами по телефону, или отправить заявку на почту - sales@specprompodshipnik.ru или по тел.: +7(499) 369-70-54

Возврат к списку