Подшипник K30?35?27S (NTN)

Подшипники роликовые радиальные сферические
Подшипник K30?35?27S (NTN)

Технические характеристики

Обозначение : K30?35?27S

Производитель : NTN

Диаметр внутренний, мм : 30

Диаметр наружный, мм : 35

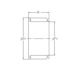
Технические данные из каталога производителя :

Внутренний диаметр (Fw) - 30 мм.

Наружный диаметр (Ew) - 35 мм.

Ширина внутренней обоймы (Bc) - 27 мм.

Масса - 0.033 Кг

Грузоподъемность динамическая (C) - 29,9 кН

Грузоподъемность статическая (C0) - 57 кН

Частота вращения предельная при пластичной смазке - 8500 об/мин

Частота вращения предельная при жидкой смазке - 13000 об/мин

Количество дорожек качения - 1

Уплотнение - Нет

Цены указаны ознакомительные, для уточнения цены и наличия просим связаться с нами по телефону, или отправить заявку на почту - sales@specprompodshipnik.ru или по тел.: +7(499) 369-70-54

Возврат к списку