Подшипник K29?34?27 (NTN)

Подшипники роликовые радиальные сферические
Подшипник K29?34?27 (NTN)

Технические характеристики

Обозначение : K29?34?27

Производитель : NTN

Диаметр внутренний, мм : 29

Диаметр наружный, мм : 34

Технические данные из каталога производителя :

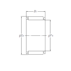
Внутренний диаметр (Fw) - 29 мм.

Наружный диаметр (Ew) - 34 мм.

Ширина внутренней обоймы (Bc) - 27 мм.

Масса - 0.033 Кг

Грузоподъемность динамическая (C) - 28,1 кН

Грузоподъемность статическая (C0) - 52 кН

Частота вращения предельная при пластичной смазке - 9500 об/мин

Частота вращения предельная при жидкой смазке - 14000 об/мин

Количество дорожек качения - 1

Уплотнение - Нет

Цены указаны ознакомительные, для уточнения цены и наличия просим связаться с нами по телефону, или отправить заявку на почту - sales@specprompodshipnik.ru или по тел.: +7(499) 369-70-54

Возврат к списку