Подшипник K28X35X27H (Timken)

Подшипники роликовые радиальные сферические
Подшипник K28X35X27H (Timken)

Технические характеристики

Обозначение : K28X35X27H

Производитель : Timken

Диаметр внутренний, мм : 28

Диаметр наружный, мм : 35

Технические данные из каталога производителя :

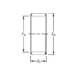
Внутренний диаметр (Fw) - 28 мм.

Наружный диаметр (Ew) - 35 мм.

Ширина внутренней обоймы (Bc) - 27 мм.

Масса - 0,042 Кг

Грузоподъемность динамическая (C) - 35,2 кН

Грузоподъемность статическая (C0) - 54,7 кН

Частота вращения предельная при пластичной смазке - 10000 об/мин

Частота вращения предельная при жидкой смазке - 16000 об/мин

Количество дорожек качения - 1

Уплотнение - Нет

Цены указаны ознакомительные, для уточнения цены и наличия просим связаться с нами по телефону, или отправить заявку на почту - sales@specprompodshipnik.ru или по тел.: +7(499) 369-70-54

Возврат к списку