Подшипник K285?300?50 (NTN)

Подшипники роликовые радиальные сферические
Подшипник K285?300?50 (NTN)

Технические характеристики

Обозначение : K285?300?50

Производитель : NTN

Диаметр внутренний, мм : 285

Диаметр наружный, мм : 300

Технические данные из каталога производителя :

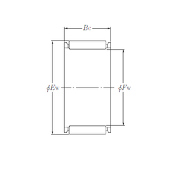
Внутренний диаметр (Fw) - 285 мм.

Наружный диаметр (Ew) - 300 мм.

Ширина внутренней обоймы (Bc) - 50 мм.

Масса - 1.970 Кг

Грузоподъемность динамическая (C) - 268 кН

Грузоподъемность статическая (C0) - 930 кН

Частота вращения предельная при пластичной смазке - 950 об/мин

Частота вращения предельная при жидкой смазке - 1400 об/мин

Количество дорожек качения - 1

Уплотнение - Нет

Цены указаны ознакомительные, для уточнения цены и наличия просим связаться с нами по телефону, или отправить заявку на почту - sales@specprompodshipnik.ru или по тел.: +7(499) 369-70-54

Возврат к списку