Подшипник K26X34X22 (FBJ)

Подшипники роликовые радиальные сферические
Подшипник K26X34X22 (FBJ)

Технические характеристики

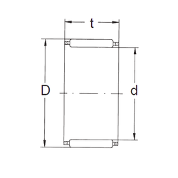
Обозначение : K26X34X22

Размеры, мм : 26x34x22

Производитель : FBJ

Диаметр внутренний, мм : 26

Диаметр наружный, мм : 34

Высота, мм : 22

Технические данные из каталога производителя :

Внутренний диаметр (d) - 26 мм.

Наружный диаметр (D) - 34 мм.

Ширина рабочая (T) - 22 мм.

Масса - 0,041 Кг

Грузоподъемность динамическая (C) - 24,2 кН

Грузоподъемность статическая (C0) - 30 кН

Частота вращения предельная при пластичной смазке - 10000 об/мин

Частота вращения предельная при жидкой смазке - 15000 об/мин

Количество дорожек качения - 1

Уплотнение - Нет

Цены указаны ознакомительные, для уточнения цены и наличия просим связаться с нами по телефону, или отправить заявку на почту - sales@specprompodshipnik.ru или по тел.: +7(499) 369-70-54

Возврат к списку