Подшипник K25X32X24BE (Timken)

Подшипники роликовые радиальные сферические
Подшипник K25X32X24BE (Timken)

Технические характеристики

Обозначение : K25X32X24BE

Производитель : Timken

Диаметр внутренний, мм : 25

Диаметр наружный, мм : 32

Технические данные из каталога производителя :

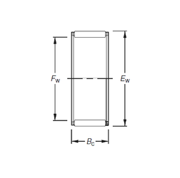
Внутренний диаметр (Fw) - 25 мм.

Наружный диаметр (Ew) - 32 мм.

Ширина внутренней обоймы (Bc) - 24 мм.

Масса - 0,035 Кг

Грузоподъемность динамическая (C) - 27,5 кН

Грузоподъемность статическая (C0) - 38,5 кН

Количество дорожек качения - 1

Уплотнение - Нет

Цены указаны ознакомительные, для уточнения цены и наличия просим связаться с нами по телефону, или отправить заявку на почту - sales@specprompodshipnik.ru или по тел.: +7(499) 369-70-54

Возврат к списку