Подшипник K25X32X16 (FBJ)

Подшипники роликовые радиальные сферические
Подшипник K25X32X16 (FBJ)

Технические характеристики

Обозначение : K25X32X16

Размеры, мм : 25x32x16

Производитель : FBJ

Диаметр внутренний, мм : 25

Диаметр наружный, мм : 32

Высота, мм : 16

Технические данные из каталога производителя :

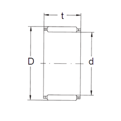
Внутренний диаметр (d) - 25 мм.

Наружный диаметр (D) - 32 мм.

Ширина рабочая (T) - 16 мм.

Масса - 0,025 Кг

Грузоподъемность динамическая (C) - 19,5 кН

Грузоподъемность статическая (C0) - 24,7 кН

Частота вращения предельная при пластичной смазке - 11000 об/мин

Частота вращения предельная при жидкой смазке - 16000 об/мин

Количество дорожек качения - 1

Уплотнение - Нет

Цены указаны ознакомительные, для уточнения цены и наличия просим связаться с нами по телефону, или отправить заявку на почту - sales@specprompodshipnik.ru или по тел.: +7(499) 369-70-54

Возврат к списку