Подшипник K25X29X13H (Timken)

Подшипники роликовые радиальные сферические
Подшипник K25X29X13H (Timken)

Технические характеристики

Обозначение : K25X29X13H

Производитель : Timken

Диаметр внутренний, мм : 25

Диаметр наружный, мм : 29

Технические данные из каталога производителя :

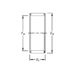
Внутренний диаметр (Fw) - 25 мм.

Наружный диаметр (Ew) - 29 мм.

Ширина внутренней обоймы (Bc) - 13 мм.

Масса - 0,01 Кг

Грузоподъемность динамическая (C) - 12,8 кН

Грузоподъемность статическая (C0) - 21,1 кН

Частота вращения предельная при пластичной смазке - 11000 об/мин

Частота вращения предельная при жидкой смазке - 17000 об/мин

Количество дорожек качения - 1

Уплотнение - Нет

Цены указаны ознакомительные, для уточнения цены и наличия просим связаться с нами по телефону, или отправить заявку на почту - sales@specprompodshipnik.ru или по тел.: +7(499) 369-70-54

Возврат к списку