Подшипник K24X30X15BE (Timken)

Подшипники роликовые радиальные сферические
Подшипник K24X30X15BE (Timken)

Технические характеристики

Обозначение : K24X30X15BE

Производитель : Timken

Диаметр внутренний, мм : 24

Диаметр наружный, мм : 30

Технические данные из каталога производителя :

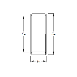
Внутренний диаметр (Fw) - 24 мм.

Наружный диаметр (Ew) - 30 мм.

Ширина внутренней обоймы (Bc) - 15 мм.

Масса - 0,018 Кг

Грузоподъемность динамическая (C) - 15,3 кН

Грузоподъемность статическая (C0) - 19,7 кН

Количество дорожек качения - 1

Уплотнение - Нет

Цены указаны ознакомительные, для уточнения цены и наличия просим связаться с нами по телефону, или отправить заявку на почту - sales@specprompodshipnik.ru или по тел.: +7(499) 369-70-54

Возврат к списку