Подшипник 23024-2CS5/VT143 (SKF)

Подшипники роликовые радиальные сферические
Подшипник 23024-2CS5/VT143 (SKF)

Технические характеристики

Обозначение : 23024-2CS5/VT143

Размеры, мм : 120x180x46

Производитель : SKF

Диаметр внутренний, мм : 120

Диаметр наружный, мм : 180

Высота, мм : 46

Технические данные из каталога производителя :

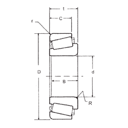
Внутренний диаметр (d) - 120 мм.

Наружный диаметр (D) - 180 мм.

Ширина (высота) (B) - 46 мм.

Ширина наружной обоймы (C) - 46 мм.

Размер (b) - 6 мм.

Размер (d2) - 132 мм.

Размер (r1 min.) - 2 мм.

Размер (r2 min.) - 2 мм.

Размер (D1) - 172 мм.

Размер (K) - 3 мм.

Размер сопряженных деталей (da min.) - 129

Размер сопряженных деталей (da max) - 132

Размер сопряженных деталей (Da max.) - 171

Размер сопряженных деталей (ra max.) - 2

Масса - 4,2 Кг

Грузоподъемность динамическая (C) - 355 кН

Грузоподъемность статическая (C0) - 510 кН

Граничная нагрузка по усталости (Pu) - 52

Частота вращения предельная - 850 об/мин

Расчетный коэффициент (e) - 0,2

Расчетный коэффициент (Y0) - 3,2

Расчетный коэффициент (Y1) - 3,4

Расчетный коэффициент (Y2) - 5

Количество дорожек качения - 2

Уплотнение - Есть

Цены указаны ознакомительные, для уточнения цены и наличия просим связаться с нами по телефону, или отправить заявку на почту - sales@specprompodshipnik.ru или по тел.: +7(499) 369-70-54

Возврат к списку