Подшипник LM12749/LM12711 (KOYO)

Подшипники роликовые радиально-упорные (конические)
Подшипник LM12749/LM12711 (KOYO)

Технические характеристики

Обозначение : LM12749/LM12711

Размеры, мм : 21.987x45.974x15.494

Производитель : KOYO

Диаметр внутренний, мм : 21,987

Диаметр наружный, мм : 45,974

Высота, мм : 15,494

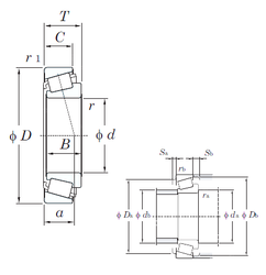
Технические данные из каталога производителя :

Внутренний диаметр (d) - 21,987 мм.

Наружный диаметр (D) - 45,974 мм.

Ширина рабочая (T) - 15,494 мм.

Ширина (высота) (B) - 16,637 мм.

Ширина наружной обоймы (C) - 12,065 мм.

Размер (a) - 10 мм.

Размер (r min.) - 1,2 мм.

Размер (r2 min.) - 1,2 мм.

Размер сопряженных деталей (da min.) - 27,5

Размер сопряженных деталей (Da) - 40

Размер сопряженных деталей (db min) - 26

Размер сопряженных деталей (ra max.) - 1,2

Размер сопряженных деталей (rb max.) - 1,2

Размер сопряженных деталей (Db) - 42,5

Масса - 0,121 Кг

Грузоподъемность динамическая (C) - 30,1 кН

Грузоподъемность статическая (C0) - 34,6 кН

Частота вращения предельная при пластичной смазке - 8900 об/мин

Частота вращения предельная при жидкой смазке - 12000 об/мин

Расчетный коэффициент (e) - 0,31

Расчетный коэффициент (Y0) - 1,08

Расчетный коэффициент (Y1) - 1,96

Количество дорожек качения - 1

Уплотнение - Нет

Цены указаны ознакомительные, для уточнения цены и наличия просим связаться с нами по телефону, или отправить заявку на почту - sales@specprompodshipnik.ru или по тел.: +7(499) 369-70-54

Возврат к списку