Подшипник LM11749/LM11710 (NACHI)

Подшипники роликовые радиально-упорные (конические)
Подшипник LM11749/LM11710 (NACHI)

Технические характеристики

Обозначение : LM11749/LM11710

Размеры, мм : 17.462x39.878x13.843

Производитель : NACHI

Диаметр внутренний, мм : 17.462

Диаметр наружный, мм : 39.878

Высота, мм : 13.843

Технические данные из каталога производителя :

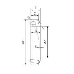
Внутренний диаметр (d) - 17.462 мм.

Наружный диаметр (D) - 39.878 мм.

Ширина рабочая (T) - 13.843 мм.

Ширина (высота) (B) - 14.605 мм.

Ширина наружной обоймы (C) - 10.668 мм.

Размер (a) - 5.2 мм.

Размер (r1 min.) - 1.3 мм.

Размер (r2 min.) - 1.3 мм.

Масса - 0,081 Кг

Грузоподъемность динамическая (C) - 23400 кН

Грузоподъемность статическая (C0) - 23000 кН

Частота вращения предельная при пластичной смазке - 10000 об/мин

Частота вращения предельная при жидкой смазке - 13000 об/мин

Расчетный коэффициент (e) - 0.29

Расчетный коэффициент (Y0) - 1.2

Расчетный коэффициент (Y1) - 2.1

Количество дорожек качения - 1

Уплотнение - Нет

Цены указаны ознакомительные, для уточнения цены и наличия просим связаться с нами по телефону, или отправить заявку на почту - sales@specprompodshipnik.ru или по тел.: +7(499) 369-70-54

Возврат к списку