Подшипник JHM720249/JHM720210 (KOYO)

Подшипники роликовые радиально-упорные (конические)
Подшипник JHM720249/JHM720210 (KOYO)

Технические характеристики

Обозначение : JHM720249/JHM720210

Размеры, мм : 100x160x41

Производитель : KOYO

Диаметр внутренний, мм : 100

Диаметр наружный, мм : 160

Высота, мм : 41

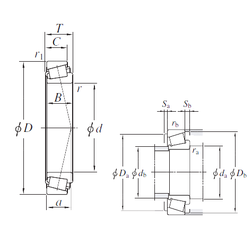
Технические данные из каталога производителя :

Внутренний диаметр (d) - 100 мм.

Наружный диаметр (D) - 160 мм.

Ширина рабочая (T) - 41 мм.

Ширина (высота) (B) - 40 мм.

Ширина наружной обоймы (C) - 32 мм.

Размер (a) - 38,3 мм.

Размер (r min.) - 3 мм.

Размер (r1 min.) - 2,5 мм.

Размер (r2 min.) - 2,5 мм.

Размер сопряженных деталей (da min.) - 110

Размер сопряженных деталей (Da min) - 143

Размер сопряженных деталей (Da max.) - 151

Размер сопряженных деталей (Da) - 109

Размер сопряженных деталей (db max.) - 111

Размер сопряженных деталей (db min) - 117

Размер сопряженных деталей (ra max.) - 3

Размер сопряженных деталей (rb max.) - 2,5

Размер сопряженных деталей (Db) - 153

Масса - 3,08 Кг

Грузоподъемность динамическая (C) - 237 кН

Грузоподъемность статическая (C0) - 378 кН

Частота вращения предельная при пластичной смазке - 2300 об/мин

Частота вращения предельная при жидкой смазке - 3000 об/мин

Расчетный коэффициент (e) - 0,47

Расчетный коэффициент (Y0) - 0,7

Расчетный коэффициент (Y1) - 1,28

Количество дорожек качения - 1

Уплотнение - Нет

Цены указаны ознакомительные, для уточнения цены и наличия просим связаться с нами по телефону, или отправить заявку на почту - sales@specprompodshipnik.ru или по тел.: +7(499) 369-70-54

Возврат к списку