Подшипник HM218248/HM218210 (KOYO)

Подшипники роликовые радиально-упорные (конические)
Подшипник HM218248/HM218210 (KOYO)

Технические характеристики

Обозначение : HM218248/HM218210

Размеры, мм : 89.974x146.975x40

Производитель : KOYO

Диаметр внутренний, мм : 89,974

Диаметр наружный, мм : 146,975

Высота, мм : 40

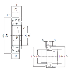
Технические данные из каталога производителя :

Внутренний диаметр (d) - 89,974 мм.

Наружный диаметр (D) - 146,975 мм.

Ширина рабочая (T) - 40 мм.

Ширина (высота) (B) - 40 мм.

Ширина наружной обоймы (C) - 32,5 мм.

Размер (a) - 30,8 мм.

Размер (r min.) - 7,1 мм.

Размер (r2 min.) - 3,6 мм.

Размер сопряженных деталей (da min.) - 112

Размер сопряженных деталей (Da) - 133

Размер сопряженных деталей (db min) - 99

Размер сопряженных деталей (ra max.) - 7,1

Размер сопряженных деталей (rb max.) - 3,6

Размер сопряженных деталей (Db) - 141

Масса - 2,444 Кг

Грузоподъемность динамическая (C) - 206 кН

Грузоподъемность статическая (C0) - 310 кН

Частота вращения предельная при пластичной смазке - 2500 об/мин

Частота вращения предельная при жидкой смазке - 3300 об/мин

Расчетный коэффициент (e) - 0,33

Расчетный коэффициент (Y0) - 0,99

Расчетный коэффициент (Y1) - 1,8

Количество дорожек качения - 1

Уплотнение - Нет

Цены указаны ознакомительные, для уточнения цены и наличия просим связаться с нами по телефону, или отправить заявку на почту - sales@specprompodshipnik.ru или по тел.: +7(499) 369-70-54

Возврат к списку