Подшипник E32215J (NACHI)

Подшипники роликовые радиально-упорные (конические)
Подшипник E32215J (NACHI)

Технические характеристики

Обозначение : E32215J

Размеры, мм : 75x130x33.25

Производитель : NACHI

Диаметр внутренний, мм : 75

Диаметр наружный, мм : 130

Высота, мм : 33.25

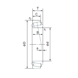
Технические данные из каталога производителя :

Внутренний диаметр (d) - 75 мм.

Наружный диаметр (D) - 130 мм.

Ширина рабочая (T) - 33.25 мм.

Ширина (высота) (B) - 31 мм.

Ширина наружной обоймы (C) - 27 мм.

Размер (a) - 3.4 мм.

Размер (r1 min.) - 2 мм.

Размер (r2 min.) - 1.5 мм.

Масса - 1.70 Кг

Грузоподъемность динамическая (C) - 165000 кН

Грузоподъемность статическая (C0) - 221000 кН

Частота вращения предельная при пластичной смазке - 2800 об/мин

Частота вращения предельная при жидкой смазке - 3800 об/мин

Расчетный коэффициент (e) - 0.44

Расчетный коэффициент (Y0) - 0.76

Расчетный коэффициент (Y1) - 1.38

Количество дорожек качения - 1

Уплотнение - Нет

Цены указаны ознакомительные, для уточнения цены и наличия просим связаться с нами по телефону, или отправить заявку на почту - sales@specprompodshipnik.ru или по тел.: +7(499) 369-70-54

Возврат к списку