Подшипник E32016J (NACHI)

Подшипники роликовые радиально-упорные (конические)
Подшипник E32016J (NACHI)

Технические характеристики

Обозначение : E32016J

Размеры, мм : 80x125x29

Производитель : NACHI

Диаметр внутренний, мм : 80

Диаметр наружный, мм : 125

Высота, мм : 29

Технические данные из каталога производителя :

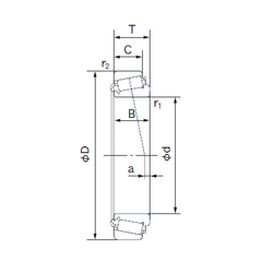
Внутренний диаметр (d) - 80 мм.

Наружный диаметр (D) - 125 мм.

Ширина рабочая (T) - 29 мм.

Ширина (высота) (B) - 29 мм.

Ширина наружной обоймы (C) - 22 мм.

Размер (a) - 2.3 мм.

Размер (r1 min.) - 1.5 мм.

Размер (r2 min.) - 1.5 мм.

Масса - 1.29 Кг

Грузоподъемность динамическая (C) - 147000 кН

Грузоподъемность статическая (C0) - 225000 кН

Частота вращения предельная при пластичной смазке - 2900 об/мин

Частота вращения предельная при жидкой смазке - 3900 об/мин

Расчетный коэффициент (e) - 0.42

Расчетный коэффициент (Y0) - 0.78

Расчетный коэффициент (Y1) - 1.42

Количество дорожек качения - 1

Уплотнение - Нет

Цены указаны ознакомительные, для уточнения цены и наличия просим связаться с нами по телефону, или отправить заявку на почту - sales@specprompodshipnik.ru или по тел.: +7(499) 369-70-54

Возврат к списку