Подшипник E30214J (NACHI)

Подшипники роликовые радиально-упорные (конические)
Подшипник E30214J (NACHI)

Технические характеристики

Обозначение : E30214J

Размеры, мм : 70x125x26.25

Производитель : NACHI

Диаметр внутренний, мм : 70

Диаметр наружный, мм : 125

Высота, мм : 26.25

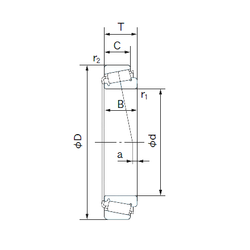
Технические данные из каталога производителя :

Внутренний диаметр (d) - 70 мм.

Наружный диаметр (D) - 125 мм.

Ширина рабочая (T) - 26.25 мм.

Ширина (высота) (B) - 24 мм.

Ширина наружной обоймы (C) - 21 мм.

Размер (a) - 0.3 мм.

Размер (r1 min.) - 2 мм.

Размер (r2 min.) - 1.5 мм.

Масса - 1.30 Кг

Грузоподъемность динамическая (C) - 138000 кН

Грузоподъемность статическая (C0) - 173000 кН

Частота вращения предельная при пластичной смазке - 3100 об/мин

Частота вращения предельная при жидкой смазке - 4100 об/мин

Расчетный коэффициент (e) - 0.42

Расчетный коэффициент (Y0) - 0.79

Расчетный коэффициент (Y1) - 1.43

Количество дорожек качения - 1

Уплотнение - Нет

Цены указаны ознакомительные, для уточнения цены и наличия просим связаться с нами по телефону, или отправить заявку на почту - sales@specprompodshipnik.ru или по тел.: +7(499) 369-70-54

Возврат к списку