Подшипник E30213J (NACHI)

Подшипники роликовые радиально-упорные (конические)
Подшипник E30213J (NACHI)

Технические характеристики

Обозначение : E30213J

Размеры, мм : 65x120x24.75

Производитель : NACHI

Диаметр внутренний, мм : 65

Диаметр наружный, мм : 120

Высота, мм : 24.75

Технические данные из каталога производителя :

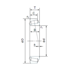
Внутренний диаметр (d) - 65 мм.

Наружный диаметр (D) - 120 мм.

Ширина рабочая (T) - 24.75 мм.

Ширина (высота) (B) - 23 мм.

Ширина наружной обоймы (C) - 20 мм.

Размер (a) - 0.6 мм.

Размер (r1 min.) - 2 мм.

Размер (r2 min.) - 1.5 мм.

Масса - 1.16 Кг

Грузоподъемность динамическая (C) - 128000 кН

Грузоподъемность статическая (C0) - 156000 кН

Частота вращения предельная при пластичной смазке - 3200 об/мин

Частота вращения предельная при жидкой смазке - 4300 об/мин

Расчетный коэффициент (e) - 0.40

Расчетный коэффициент (Y0) - 0.81

Расчетный коэффициент (Y1) - 1.48

Количество дорожек качения - 1

Уплотнение - Нет

Цены указаны ознакомительные, для уточнения цены и наличия просим связаться с нами по телефону, или отправить заявку на почту - sales@specprompodshipnik.ru или по тел.: +7(499) 369-70-54

Возврат к списку