Подшипник 594A/592A (FBJ)

Подшипники роликовые радиально-упорные (конические)
Подшипник 594A/592A (FBJ)

Технические характеристики

Обозначение : 594A/592A

Размеры, мм : 95.25x152.4x39.688

Производитель : FBJ

Диаметр внутренний, мм : 95,25

Диаметр наружный, мм : 152,4

Высота, мм : 39,688

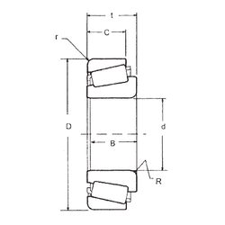
Технические данные из каталога производителя :

Внутренний диаметр (d) - 95,25 мм.

Наружный диаметр (D) - 152,4 мм.

Ширина рабочая (T) - 39,688 мм.

Ширина (высота) (B) - 36,322 мм.

Ширина наружной обоймы (C) - 30,162 мм.

Масса - 2,51 Кг

Грузоподъемность динамическая (C) - 180 кН

Грузоподъемность статическая (C0) - 279 кН

Частота вращения предельная при пластичной смазке - 2300 об/мин

Частота вращения предельная при жидкой смазке - 3100 об/мин

Количество дорожек качения - 1

Уплотнение - Нет

Цены указаны ознакомительные, для уточнения цены и наличия просим связаться с нами по телефону, или отправить заявку на почту - sales@specprompodshipnik.ru или по тел.: +7(499) 369-70-54

Возврат к списку