Подшипник 4T-HM804848/HM804810 (NTN)

Подшипники роликовые радиально-упорные (конические)
Подшипник 4T-HM804848/HM804810 (NTN)

Технические характеристики

Обозначение : 4T-HM804848/HM804810

Размеры, мм : 48.412x95.25x30.162

Производитель : NTN

Диаметр внутренний, мм : 48,412

Диаметр наружный, мм : 95,25

Высота, мм : 30,162

Технические данные из каталога производителя :

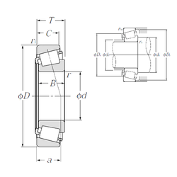
Внутренний диаметр (d) - 48,412 мм.

Наружный диаметр (D) - 95,25 мм.

Ширина рабочая (T) - 30,162 мм.

Ширина (высота) (B) - 29,37 мм.

Ширина наружной обоймы (C) - 23,02 мм.

Размер сопряженных деталей (ra1 max.) - 3,3

Размер (a) - 3,7 мм.

Размер сопряженных деталей (Da) - 81

Размер сопряженных деталей (db) - 57

Размер сопряженных деталей (ra max.) - 2,3

Размер сопряженных деталей (da) - 63

Размер сопряженных деталей (Db) - 91

Масса - 0,967 Кг

Грузоподъемность динамическая (C) - 109 кН

Грузоподъемность статическая (C0) - 147 кН

Частота вращения предельная при пластичной смазке - 4 000 об/мин

Частота вращения предельная при жидкой смазке - 5 300 об/мин

Расчетный коэффициент (e) - 0,55

Расчетный коэффициент (Y0) - 0,6

Расчетный коэффициент (Y2) - 1,1

Количество дорожек качения - 1

Уплотнение - Нет

Цены указаны ознакомительные, для уточнения цены и наличия просим связаться с нами по телефону, или отправить заявку на почту - sales@specprompodshipnik.ru или по тел.: +7(499) 369-70-54

Возврат к списку