Подшипник 4T-663/653 (NTN)

Подшипники роликовые радиально-упорные (конические)
Подшипник 4T-663/653 (NTN)

Технические характеристики

Обозначение : 4T-663/653

Размеры, мм : 82.55x146.05x41.275

Производитель : NTN

Диаметр внутренний, мм : 82,55

Диаметр наружный, мм : 146,05

Высота, мм : 41,275

Технические данные из каталога производителя :

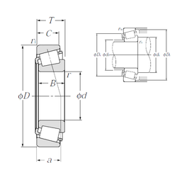
Внутренний диаметр (d) - 82,55 мм.

Наружный диаметр (D) - 146,05 мм.

Ширина рабочая (T) - 41,275 мм.

Ширина (высота) (B) - 41,275 мм.

Ширина наружной обоймы (C) - 31,75 мм.

Размер сопряженных деталей (ra1 max.) - 3,3

Размер (a) - 8 мм.

Размер сопряженных деталей (Da) - 131

Размер сопряженных деталей (db) - 92

Размер сопряженных деталей (ra max.) - 3,5

Размер сопряженных деталей (da) - 99

Размер сопряженных деталей (Db) - 139

Масса - 2,78 Кг

Грузоподъемность динамическая (C) - 206 кН

Грузоподъемность статическая (C0) - 295 кН

Частота вращения предельная при пластичной смазке - 2 500 об/мин

Частота вращения предельная при жидкой смазке - 3 300 об/мин

Расчетный коэффициент (e) - 0,41

Расчетный коэффициент (Y0) - 0,81

Расчетный коэффициент (Y2) - 1,47

Количество дорожек качения - 1

Уплотнение - Нет

Цены указаны ознакомительные, для уточнения цены и наличия просим связаться с нами по телефону, или отправить заявку на почту - sales@specprompodshipnik.ru или по тел.: +7(499) 369-70-54

Возврат к списку