Подшипник 4T-497/492A (NTN)

Подшипники роликовые радиально-упорные (конические)
Подшипник 4T-497/492A (NTN)

Технические характеристики

Обозначение : 4T-497/492A

Размеры, мм : 85.725x133.35x30.162

Производитель : NTN

Диаметр внутренний, мм : 85,725

Диаметр наружный, мм : 133,35

Высота, мм : 30,162

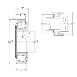
Технические данные из каталога производителя :

Внутренний диаметр (d) - 85,725 мм.

Наружный диаметр (D) - 133,35 мм.

Ширина рабочая (T) - 30,162 мм.

Ширина (высота) (B) - 29,769 мм.

Ширина наружной обоймы (C) - 22,225 мм.

Размер сопряженных деталей (ra1 max.) - 3,3

Размер (a) - 0,7 мм.

Размер сопряженных деталей (Da) - 120

Размер сопряженных деталей (db) - 93

Размер сопряженных деталей (ra max.) - 3,5

Размер сопряженных деталей (da) - 99

Размер сопряженных деталей (Db) - 128

Масса - 1,43 Кг

Грузоподъемность динамическая (C) - 129 кН

Грузоподъемность статическая (C0) - 189 кН

Частота вращения предельная при пластичной смазке - 2 600 об/мин

Частота вращения предельная при жидкой смазке - 3 500 об/мин

Расчетный коэффициент (e) - 0,44

Расчетный коэффициент (Y0) - 0,74

Расчетный коэффициент (Y2) - 1,35

Количество дорожек качения - 1

Уплотнение - Нет

Цены указаны ознакомительные, для уточнения цены и наличия просим связаться с нами по телефону, или отправить заявку на почту - sales@specprompodshipnik.ru или по тел.: +7(499) 369-70-54

Возврат к списку