Подшипник 4T-2793/2720 (NTN)

Подшипники роликовые радиально-упорные (конические)
Подшипник 4T-2793/2720 (NTN)

Технические характеристики

Обозначение : 4T-2793/2720

Размеры, мм : 34.925x76.2x23.812

Производитель : NTN

Диаметр внутренний, мм : 34,925

Диаметр наружный, мм : 76,2

Высота, мм : 23,812

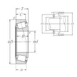
Технические данные из каталога производителя :

Внутренний диаметр (d) - 34,925 мм.

Наружный диаметр (D) - 76,2 мм.

Ширина рабочая (T) - 23,812 мм.

Ширина (высота) (B) - 25,654 мм.

Ширина наружной обоймы (C) - 19,05 мм.

Размер сопряженных деталей (ra1 max.) - 3,3

Размер (a) - 7,8 мм.

Размер сопряженных деталей (Da) - 66

Размер сопряженных деталей (db) - 41

Размер сопряженных деталей (ra max.) - 0,8

Размер сопряженных деталей (da) - 42

Размер сопряженных деталей (Db) - 70

Масса - 0,536 Кг

Грузоподъемность динамическая (C) - 73 кН

Грузоподъемность статическая (C0) - 90,5 кН

Частота вращения предельная при пластичной смазке - 5 100 об/мин

Частота вращения предельная при жидкой смазке - 6 800 об/мин

Расчетный коэффициент (e) - 0,3

Расчетный коэффициент (Y0) - 1,09

Расчетный коэффициент (Y2) - 1,98

Количество дорожек качения - 1

Уплотнение - Нет

Цены указаны ознакомительные, для уточнения цены и наличия просим связаться с нами по телефону, или отправить заявку на почту - sales@specprompodshipnik.ru или по тел.: +7(499) 369-70-54

Возврат к списку