Подшипник 4T-14137A/14276 (NTN)

Подшипники роликовые радиально-упорные (конические)
Подшипник 4T-14137A/14276 (NTN)

Технические характеристики

Обозначение : 4T-14137A/14276

Размеры, мм : 34.925x69.012x19.845

Производитель : NTN

Диаметр внутренний, мм : 34,925

Диаметр наружный, мм : 69,012

Высота, мм : 19,845

Технические данные из каталога производителя :

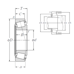
Внутренний диаметр (d) - 34,925 мм.

Наружный диаметр (D) - 69,012 мм.

Ширина рабочая (T) - 19,845 мм.

Ширина (высота) (B) - 19,583 мм.

Ширина наружной обоймы (C) - 15,875 мм.

Размер сопряженных деталей (ra1 max.) - 1,3

Размер (a) - 4,1 мм.

Размер сопряженных деталей (Da) - 60

Размер сопряженных деталей (db) - 40

Размер сопряженных деталей (ra max.) - 1,5

Размер сопряженных деталей (da) - 42

Размер сопряженных деталей (Db) - 63

Масса - 0,333 Кг

Грузоподъемность динамическая (C) - 48,5 кН

Грузоподъемность статическая (C0) - 58 кН

Частота вращения предельная при пластичной смазке - 5 600 об/мин

Частота вращения предельная при жидкой смазке - 7 400 об/мин

Расчетный коэффициент (e) - 0,38

Расчетный коэффициент (Y0) - 0,86

Расчетный коэффициент (Y2) - 1,57

Количество дорожек качения - 1

Уплотнение - Нет

Цены указаны ознакомительные, для уточнения цены и наличия просим связаться с нами по телефону, или отправить заявку на почту - sales@specprompodshipnik.ru или по тел.: +7(499) 369-70-54

Возврат к списку