Подшипник 4T-12580/12520 (NTN)

Подшипники роликовые радиально-упорные (конические)
Подшипник 4T-12580/12520 (NTN)

Технические характеристики

Обозначение : 4T-12580/12520

Размеры, мм : 20.638x49.225x19.845

Производитель : NTN

Диаметр внутренний, мм : 20,638

Диаметр наружный, мм : 49,225

Высота, мм : 19,845

Технические данные из каталога производителя :

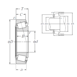
Внутренний диаметр (d) - 20,638 мм.

Наружный диаметр (D) - 49,225 мм.

Ширина рабочая (T) - 19,845 мм.

Ширина (высота) (B) - 19,845 мм.

Ширина наружной обоймы (C) - 15,875 мм.

Размер сопряженных деталей (ra1 max.) - 1,5

Размер (a) - 7,1 мм.

Размер сопряженных деталей (Da) - 42,5

Размер сопряженных деталей (db) - 26

Размер сопряженных деталей (ra max.) - 1,5

Размер сопряженных деталей (da) - 28,5

Размер сопряженных деталей (Db) - 45,5

Масса - 0,182 Кг

Грузоподъемность динамическая (C) - 37,5 кН

Грузоподъемность статическая (C0) - 39 кН

Частота вращения предельная при пластичной смазке - 8 200 об/мин

Частота вращения предельная при жидкой смазке - 11 000 об/мин

Расчетный коэффициент (e) - 0,32

Расчетный коэффициент (Y0) - 1,02

Расчетный коэффициент (Y2) - 1,86

Количество дорожек качения - 1

Уплотнение - Нет

Цены указаны ознакомительные, для уточнения цены и наличия просим связаться с нами по телефону, или отправить заявку на почту - sales@specprompodshipnik.ru или по тел.: +7(499) 369-70-54

Возврат к списку