Подшипник 42688/42620 (KOYO)

Подшипники роликовые радиально-упорные (конические)
Подшипник 42688/42620 (KOYO)

Технические характеристики

Обозначение : 42688/42620

Размеры, мм : 76.2x127x30.162

Производитель : KOYO

Диаметр внутренний, мм : 76,2

Диаметр наружный, мм : 127

Высота, мм : 30,162

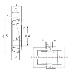
Технические данные из каталога производителя :

Внутренний диаметр (d) - 76,2 мм.

Наружный диаметр (D) - 127 мм.

Ширина рабочая (T) - 30,162 мм.

Ширина (высота) (B) - 31 мм.

Ширина наружной обоймы (C) - 22,225 мм.

Размер (a) - 27,1 мм.

Размер (r min.) - 6,4 мм.

Размер (r2 min.) - 3,2 мм.

Размер сопряженных деталей (da min.) - 96

Размер сопряженных деталей (Da) - 114

Размер сопряженных деталей (db min) - 84

Размер сопряженных деталей (ra max.) - 6,4

Размер сопряженных деталей (rb max.) - 3,2

Размер сопряженных деталей (Db) - 121

Масса - 1,474 Кг

Грузоподъемность динамическая (C) - 143 кН

Грузоподъемность статическая (C0) - 225 кН

Частота вращения предельная при пластичной смазке - 2400 об/мин

Частота вращения предельная при жидкой смазке - 3200 об/мин

Расчетный коэффициент (e) - 0,42

Расчетный коэффициент (Y0) - 0,79

Расчетный коэффициент (Y1) - 1,43

Количество дорожек качения - 1

Уплотнение - Нет

Цены указаны ознакомительные, для уточнения цены и наличия просим связаться с нами по телефону, или отправить заявку на почту - sales@specprompodshipnik.ru или по тел.: +7(499) 369-70-54

Возврат к списку