Подшипник 395S/394A (FBJ)

Подшипники роликовые радиально-упорные (конические)
Подшипник 395S/394A (FBJ)

Технические характеристики

Обозначение : 395S/394A

Размеры, мм : 66.675x110x22

Производитель : FBJ

Диаметр внутренний, мм : 66,675

Диаметр наружный, мм : 110

Высота, мм : 22

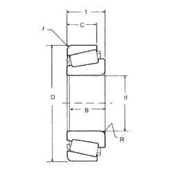
Технические данные из каталога производителя :

Внутренний диаметр (d) - 66,675 мм.

Наружный диаметр (D) - 110 мм.

Ширина рабочая (T) - 22 мм.

Ширина (высота) (B) - 21,996 мм.

Ширина наружной обоймы (C) - 18,824 мм.

Масса - 0,791 Кг

Грузоподъемность динамическая (C) - 89,5 кН

Грузоподъемность статическая (C0) - 120 кН

Частота вращения предельная при пластичной смазке - 3200 об/мин

Частота вращения предельная при жидкой смазке - 4300 об/мин

Количество дорожек качения - 1

Уплотнение - Нет

Цены указаны ознакомительные, для уточнения цены и наличия просим связаться с нами по телефону, или отправить заявку на почту - sales@specprompodshipnik.ru или по тел.: +7(499) 369-70-54

Возврат к списку