Подшипник 368/362A (FBJ)

Подшипники роликовые радиально-упорные (конические)
Подшипник 368/362A (FBJ)

Технические характеристики

Обозначение : 368/362A

Размеры, мм : 50.8x88.9x20.638

Производитель : FBJ

Диаметр внутренний, мм : 50,8

Диаметр наружный, мм : 88,9

Высота, мм : 20,638

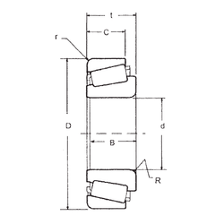
Технические данные из каталога производителя :

Внутренний диаметр (d) - 50,8 мм.

Наружный диаметр (D) - 88,9 мм.

Ширина рабочая (T) - 20,638 мм.

Ширина (высота) (B) - 22,225 мм.

Ширина наружной обоймы (C) - 16,513 мм.

Масса - 0,519 Кг

Грузоподъемность динамическая (C) - 76,5 кН

Грузоподъемность статическая (C0) - 90,5 кН

Частота вращения предельная при пластичной смазке - 4100 об/мин

Частота вращения предельная при жидкой смазке - 5500 об/мин

Количество дорожек качения - 1

Уплотнение - Нет

Цены указаны ознакомительные, для уточнения цены и наличия просим связаться с нами по телефону, или отправить заявку на почту - sales@specprompodshipnik.ru или по тел.: +7(499) 369-70-54

Возврат к списку