Подшипник 34306/34478 (FBJ)

Подшипники роликовые радиально-упорные (конические)
Подшипник 34306/34478 (FBJ)

Технические характеристики

Обозначение : 34306/34478

Размеры, мм : 77.788x121.442x24.608

Производитель : FBJ

Диаметр внутренний, мм : 77,788

Диаметр наружный, мм : 121,442

Высота, мм : 24,608

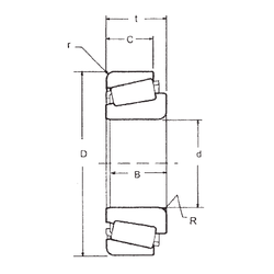
Технические данные из каталога производителя :

Внутренний диаметр (d) - 77,788 мм.

Наружный диаметр (D) - 121,442 мм.

Ширина рабочая (T) - 24,608 мм.

Ширина (высота) (B) - 23,012 мм.

Ширина наружной обоймы (C) - 17,462 мм.

Масса - 0,943 Кг

Грузоподъемность динамическая (C) - 91 кН

Грузоподъемность статическая (C0) - 127 кН

Частота вращения предельная при пластичной смазке - 2900 об/мин

Частота вращения предельная при жидкой смазке - 3800 об/мин

Количество дорожек качения - 1

Уплотнение - Нет

Цены указаны ознакомительные, для уточнения цены и наличия просим связаться с нами по телефону, или отправить заявку на почту - sales@specprompodshipnik.ru или по тел.: +7(499) 369-70-54

Возврат к списку