Подшипник 342A/332 (KOYO)

Подшипники роликовые радиально-упорные (конические)
Подшипник 342A/332 (KOYO)

Технические характеристики

Обозначение : 342A/332

Производитель : KOYO

Диаметр внутренний, мм : 41,275

Высота, мм : 29,977

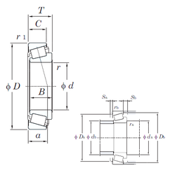
Технические данные из каталога производителя :

Внутренний диаметр (d) - 41,275 мм.

Ширина рабочая (T) - 28,575 мм.

Ширина (высота) (B) - 29,977 мм.

Ширина наружной обоймы (C) - 17,826 мм.

Размер (a) - 22,7 мм.

Размер (r min.) - 3,6 мм.

Размер (r1 min.) - 1,2 мм.

Размер сопряженных деталей (Da) - 73

Размер сопряженных деталей (db) - 46

Размер сопряженных деталей (da) - 53

Размер сопряженных деталей (Db) - 75

Грузоподъемность динамическая (C) - 68 кН

Грузоподъемность статическая (C0) - 74,8 кН

Расчетный коэффициент (e) - 0,27

Расчетный коэффициент (Y0) - 1,21

Расчетный коэффициент (Y1) - 2,2

Количество дорожек качения - 1

Уплотнение - Нет

Цены указаны ознакомительные, для уточнения цены и наличия просим связаться с нами по телефону, или отправить заявку на почту - sales@specprompodshipnik.ru или по тел.: +7(499) 369-70-54

Возврат к списку