Подшипник 32012-X (NKE)

Подшипники роликовые радиально-упорные (конические)
Подшипник 32012-X (NKE)

Технические характеристики

Обозначение : 32012-X

Размеры, мм : 60x95x23

Производитель : NKE

Диаметр внутренний, мм : 60

Диаметр наружный, мм : 95

Высота, мм : 23

Технические данные из каталога производителя :

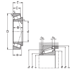
Внутренний диаметр (d) - 60 мм.

Наружный диаметр (D) - 95 мм.

Ширина рабочая (T) - 23 мм.

Ширина (высота) (B) - 23 мм.

Ширина наружной обоймы (C) - 17,5 мм.

Размер (a) - 21 мм.

Размер (r1 min.) - 1,5 мм.

Размер (r2 min.) - 1,5 мм.

Размер (r3 min.) - 1,5 мм.

Размер (r4 min.) - 1,5 мм.

Размер сопряженных деталей (da max) - 67

Размер сопряженных деталей (Da min) - 85

Размер сопряженных деталей (db min) - 67

Размер сопряженных деталей (Db min.) - 91

Масса - 0,63 Кг

Грузоподъемность динамическая (C) - 86 кН

Грузоподъемность статическая (C0) - 127 кН

Частота вращения предельная - 6700 об/мин

Расчетный коэффициент (e) - 0,43

Расчетный коэффициент (Y) - 1,39

Расчетный коэффициент (Y0) - 0,77

Количество дорожек качения - 1

Уплотнение - Нет

Цены указаны ознакомительные, для уточнения цены и наличия просим связаться с нами по телефону, или отправить заявку на почту - sales@specprompodshipnik.ru или по тел.: +7(499) 369-70-54

Возврат к списку