Подшипник 32012-X-DF (NKE)

Подшипники роликовые радиально-упорные (конические)
Подшипник 32012-X-DF (NKE)

Технические характеристики

Обозначение : 32012-X-DF

Размеры, мм : 60x95x46

Производитель : NKE

Диаметр внутренний, мм : 60

Диаметр наружный, мм : 95

Высота, мм : 46

Технические данные из каталога производителя :

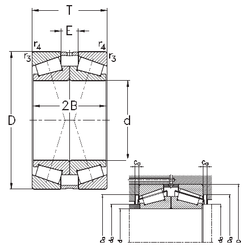
Внутренний диаметр (d) - 60 мм.

Наружный диаметр (D) - 95 мм.

Ширина рабочая (T) - 46 мм.

Ширина (высота) (B) - 23 мм.

Размер (r3 min.) - 1,5 мм.

Размер (r4 min.) - 1,5 мм.

Размер (r5 min.) - 0,6 мм.

Размер (2B) - 46 мм.

Размер сопряженных деталей (da max) - 67

Размер сопряженных деталей (Da min) - 85

Размер сопряженных деталей (Da max.) - 88

Масса - 1,9 Кг

Грузоподъемность динамическая (C) - 147 кН

Грузоподъемность статическая (C0) - 253 кН

Частота вращения предельная - 6700 об/мин

Расчетный коэффициент (e) - 0,43

Расчетный коэффициент (Y0) - 1,6

Расчетный коэффициент (Y1) - 1,6

Расчетный коэффициент (Y2) - 2,3

Количество дорожек качения - 2

Уплотнение - Нет

Цены указаны ознакомительные, для уточнения цены и наличия просим связаться с нами по телефону, или отправить заявку на почту - sales@specprompodshipnik.ru или по тел.: +7(499) 369-70-54

Возврат к списку