Подшипник 30319 (NACHI)

Подшипники роликовые радиально-упорные (конические)
Подшипник 30319 (NACHI)

Технические характеристики

Обозначение : 30319

Размеры, мм : 95x200x49.5

Производитель : NACHI

Диаметр внутренний, мм : 95

Диаметр наружный, мм : 200

Высота, мм : 49.5

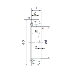
Технические данные из каталога производителя :

Внутренний диаметр (d) - 95 мм.

Наружный диаметр (D) - 200 мм.

Ширина рабочая (T) - 49.5 мм.

Ширина (высота) (B) - 45 мм.

Ширина наружной обоймы (C) - 38 мм.

Размер (a) - 10.5 мм.

Размер (r1 min.) - 4 мм.

Размер (r2 min.) - 3 мм.

Масса - 6.55 Кг

Грузоподъемность динамическая (C) - 330000 кН

Грузоподъемность статическая (C0) - 390000 кН

Частота вращения предельная при пластичной смазке - 1900 об/мин

Частота вращения предельная при жидкой смазке - 2600 об/мин

Расчетный коэффициент (e) - 0.35

Расчетный коэффициент (Y0) - 0.95

Расчетный коэффициент (Y1) - 1.73

Количество дорожек качения - 1

Уплотнение - Нет

Цены указаны ознакомительные, для уточнения цены и наличия просим связаться с нами по телефону, или отправить заявку на почту - sales@specprompodshipnik.ru или по тел.: +7(499) 369-70-54

Возврат к списку