Подшипник 30228 (NACHI)

Подшипники роликовые радиально-упорные (конические)
Подшипник 30228 (NACHI)

Технические характеристики

Обозначение : 30228

Размеры, мм : 140x250x45.75

Производитель : NACHI

Диаметр внутренний, мм : 140

Диаметр наружный, мм : 250

Высота, мм : 45.75

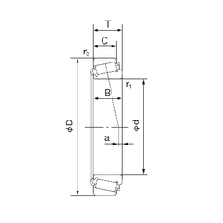
Технические данные из каталога производителя :

Внутренний диаметр (d) - 140 мм.

Наружный диаметр (D) - 250 мм.

Ширина рабочая (T) - 45.75 мм.

Ширина (высота) (B) - 42 мм.

Ширина наружной обоймы (C) - 36 мм.

Размер (a) - -1.25 мм.

Размер (r1 min.) - 4 мм.

Размер (r2 min.) - 3 мм.

Масса - 5.20 Кг

Грузоподъемность динамическая (C) - 370000 кН

Грузоподъемность статическая (C0) - 490000 кН

Частота вращения предельная при пластичной смазке - 1400 об/мин

Частота вращения предельная при жидкой смазке - 1900 об/мин

Расчетный коэффициент (e) - 0.44

Расчетный коэффициент (Y0) - 0.75

Расчетный коэффициент (Y1) - 1.36

Количество дорожек качения - 1

Уплотнение - Нет

Цены указаны ознакомительные, для уточнения цены и наличия просим связаться с нами по телефону, или отправить заявку на почту - sales@specprompodshipnik.ru или по тел.: +7(499) 369-70-54

Возврат к списку