Подшипник 30203 (FBJ)

Подшипники роликовые радиально-упорные (конические)
Подшипник 30203 (FBJ)

Технические характеристики

Обозначение : 30203

Размеры, мм : 17x40x13.25

Производитель : FBJ

Диаметр внутренний, мм : 17

Диаметр наружный, мм : 40

Высота, мм : 13,25

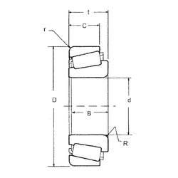
Технические данные из каталога производителя :

Внутренний диаметр (d) - 17 мм.

Наружный диаметр (D) - 40 мм.

Ширина рабочая (T) - 13,25 мм.

Ширина (высота) (B) - 12 мм.

Ширина наружной обоймы (C) - 11 мм.

Радиус внутренней фаски (R) - 1 мм.

Радиус наружней фаски (r) - 1 мм.

Масса - 0,08 Кг

Грузоподъемность динамическая (C) - 19 кН

Грузоподъемность статическая (C0) - 18,6 кН

Количество дорожек качения - 1

Уплотнение - Нет

Цены указаны ознакомительные, для уточнения цены и наличия просим связаться с нами по телефону, или отправить заявку на почту - sales@specprompodshipnik.ru или по тел.: +7(499) 369-70-54

Возврат к списку