Подшипник 2585/2523 (FBJ)

Подшипники роликовые радиально-упорные (конические)
Подшипник 2585/2523 (FBJ)

Технические характеристики

Обозначение : 2585/2523

Размеры, мм : 33.338x69.85x23.812

Производитель : FBJ

Диаметр внутренний, мм : 33,338

Диаметр наружный, мм : 69,85

Высота, мм : 23,812

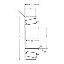
Технические данные из каталога производителя :

Внутренний диаметр (d) - 33,338 мм.

Наружный диаметр (D) - 69,85 мм.

Ширина рабочая (T) - 23,812 мм.

Ширина (высота) (B) - 25,357 мм.

Ширина наружной обоймы (C) - 190,5 мм.

Масса - 0,435 Кг

Грузоподъемность динамическая (C) - 69 кН

Грузоподъемность статическая (C0) - 81,5 кН

Частота вращения предельная при пластичной смазке - 5700 об/мин

Частота вращения предельная при жидкой смазке - 7600 об/мин

Количество дорожек качения - 1

Уплотнение - Нет

Цены указаны ознакомительные, для уточнения цены и наличия просим связаться с нами по телефону, или отправить заявку на почту - sales@specprompodshipnik.ru или по тел.: +7(499) 369-70-54

Возврат к списку