Подшипник 15112/15245 (FBJ)

Подшипники роликовые радиально-упорные (конические)
Подшипник 15112/15245 (FBJ)

Технические характеристики

Обозначение : 15112/15245

Размеры, мм : 28.575x62x19.05

Производитель : FBJ

Диаметр внутренний, мм : 28,575

Диаметр наружный, мм : 62

Высота, мм : 19,05

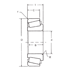
Технические данные из каталога производителя :

Внутренний диаметр (d) - 28,575 мм.

Наружный диаметр (D) - 62 мм.

Ширина рабочая (T) - 19,05 мм.

Ширина (высота) (B) - 20,638 мм.

Ширина наружной обоймы (C) - 14,288 мм.

Масса - 0,277 Кг

Грузоподъемность динамическая (C) - 46,5 кН

Грузоподъемность статическая (C0) - 54 кН

Частота вращения предельная при пластичной смазке - 6100 об/мин

Частота вращения предельная при жидкой смазке - 8200 об/мин

Количество дорожек качения - 1

Уплотнение - Нет

Цены указаны ознакомительные, для уточнения цены и наличия просим связаться с нами по телефону, или отправить заявку на почту - sales@specprompodshipnik.ru или по тел.: +7(499) 369-70-54

Возврат к списку