Подшипник 66156КЛ

Подшипники шариковые радиально-упорные
Подшипник 66156КЛ

Технические характеристики

Обозначение : 66156КЛ

Производитель : SPZ-GROUP

Диаметр внутренний, мм : 280

Диаметр наружный, мм : 420

Технические данные из каталога производителя :

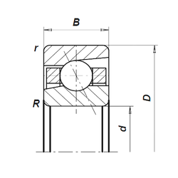
Внутренний диаметр (d) - 280 мм.

Наружный диаметр (D) - 420 мм.

Ширина (высота) (B) - 65 мм.

Ширина наружной обоймы (C) - 65 мм.

Радиус внутренней фаски (R) - 4 мм.

Радиус наружней фаски (r) - 4 мм.

Масса - 33,5 Кг

Грузоподъемность динамическая (C) - 238 кН

Грузоподъемность статическая (C0) - 365 кН

Частота вращения предельная - 900 об/мин

Количество дорожек качения - 1

Уплотнение - Нет

Цены указаны ознакомительные, для уточнения цены и наличия просим связаться с нами по телефону, или отправить заявку на почту - sales@specprompodshipnik.ru или по тел.: +7(499) 369-70-54

Возврат к списку