Подшипник 66144КЛ

Подшипники шариковые радиально-упорные
Подшипник 66144КЛ

Технические характеристики

Обозначение : 66144КЛ

Производитель : SPZ-GROUP

Диаметр внутренний, мм : 220

Диаметр наружный, мм : 340

Технические данные из каталога производителя :

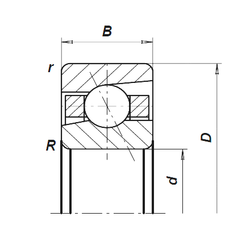
Внутренний диаметр (d) - 220 мм.

Наружный диаметр (D) - 340 мм.

Ширина (высота) (B) - 56 мм.

Ширина наружной обоймы (C) - 56 мм.

Радиус внутренней фаски (R) - 3 мм.

Радиус наружней фаски (r) - 3 мм.

Масса - 18,2 Кг

Грузоподъемность динамическая (C) - 262 кН

Грузоподъемность статическая (C0) - 442 кН

Частота вращения предельная - 1400 об/мин

Количество дорожек качения - 1

Уплотнение - Нет

Цены указаны ознакомительные, для уточнения цены и наличия просим связаться с нами по телефону, или отправить заявку на почту - sales@specprompodshipnik.ru или по тел.: +7(499) 369-70-54

Возврат к списку