Подшипник 38МР225.10.00

Подшипники шариковые радиально-упорные
Подшипник 38МР225.10.00

Технические характеристики

Обозначение : 38МР225.10.00

Производитель : SPZ-GROUP

Диаметр внутренний, мм : 1190

Диаметр наружный, мм : 1330

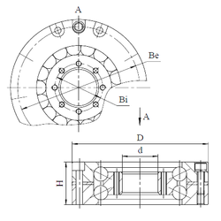
Технические данные из каталога производителя :

Внутренний диаметр (d) - 1190 мм.

Наружный диаметр (D) - 1330 мм.

Высота (H) - 60 мм.

Размер (Be) - 1310

Размер (Bi) - 1210

Радиус внутренней фаски (R) - 2,5 мм.

Радиус наружней фаски (r) - 2,5 мм.

Масса - 91,7 Кг

Грузоподъемность динамическая (C) - 480 кН

Грузоподъемность статическая (C0) - 2188 кН

Количество дорожек качения - 1

Уплотнение - Нет

Цены указаны ознакомительные, для уточнения цены и наличия просим связаться с нами по телефону, или отправить заявку на почту - sales@specprompodshipnik.ru или по тел.: +7(499) 369-70-54

Возврат к списку