Подшипник 92152ЛМ

Подшипник 92152ЛМ

Технические характеристики

Обозначение : 92152ЛМ

Производитель : EPK

Диаметр внутренний, мм : 260

Диаметр наружный, мм : 400

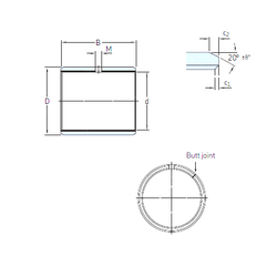
Технические данные из каталога производителя :

Внутренний диаметр (d) - 260 мм.

Внутренний диаметр (F) - 290 мм.

Наружный диаметр (D) - 400 мм.

Ширина (высота) (B) - 52,5 мм.

Ширина наружной обоймы (C) - 65 мм.

Размер (d1) - 306,0 мм.

Размер (r1 min.) - 4,0 мм.

Размер (r2 min.) - 4,0 мм.

Размер (r3 min.) - 4,0 мм.

Размер (r4 min.) - 4,0 мм.

Размер (D1) - 352 мм.

Масса - 31,700 Кг

Грузоподъемность динамическая (C) - 627 кН

Грузоподъемность статическая (C0) - 965 кН

Частота вращения предельная при пластичной смазке - 1500 об/мин

Частота вращения предельная при жидкой смазке - 1800 об/мин

Количество дорожек качения - 1

Уплотнение - Нет

Цены указаны ознакомительные, для уточнения цены и наличия просим связаться с нами по телефону, или отправить заявку на почту - sales@specprompodshipnik.ru или по тел.: +7(499) 369-70-54

Возврат к списку